Pack contains Single unit of 15x25 mm membrane
Sterile resorbable Collagen membrane / GTR membrane :
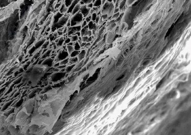
Resorbable collagen membrane has a unique bilayer structure that offers superior tissue compatibility and prevents the ingrowth of soft tissue into the augmented site. The membrane triggers the biological events for faster regeneration and gradually degrades itself. Collagen membrane is effective for dental bone graft applications.
Due to its porous and fibered microstructure, the membrane readily absorbs fluids, adheres to the surrounding tissues, and provides a barrier that guides bone and tissue regeneration.